某封闭景区收费及监视方案
1. 售票系统的组成
1) 该售票系统是完全基于TCP/IP的实时C/S系统,使用UDP三层传输
2) 数据传输带有数据包校验抗干扰,因此可以将整个局域网连接到公网当中,以便后期和公网联机,实现网上购票
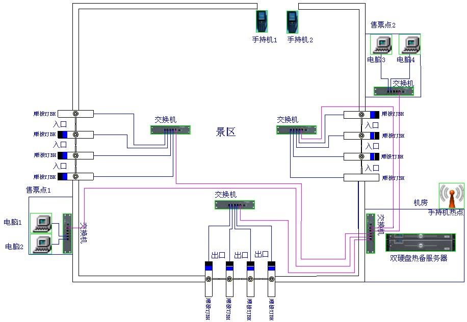
3) 系统在网络上分为:检票机端、服务器端、数据库端、售票点端、无线手持端,其中服务器端采用硬件双盘热备服务器,能保证数据库的安全
4) 局网络中的各个部件都采用静态IP标识,网络连接示意图如下:

2. 系统主要实现功能
1) 票型可以自定由软件的管理员自定义,票型包括
a) 一次性临时票,为低成本纸质印刷票,该票型是最常用的,票名如“普通参观门票”,一人一票,游客只能在规定的天数内使用,游客进入园区并出门后,票即变为无效
b) 可若干次使用的临时票,同一次性临时票一样,只不过游客能在规定的天数内,使用若干次而不重复收费,票名如“优惠参观门票”,具体可以使用多少次和使用有效期,可以在票型中事先设置
c) 可重复使用的会员票,该门票使用ID卡作用介质,因此长期使用不易损坏,票名如“优惠年票”、“季票”等,检票机上安装有条码纸票扫描区和ID卡阅读区,能混合检验这两种票不受影响;
会员票能有充值、实际余额退票、票押金等功能
会员票可以是按次计费,也可以是按实际消费时间计费
d) 内部人员也使用一种专用的会员票进出,只不过票价为零,同样受时间和次数的限制,并且在统计界面中,能看出会员的进出情况
e) 对于非一次性的门票,可以设置该票型是否绑定指纹,如果需要绑定指纹,则在第一次检票时,绑定指纹,以后需要验证指纹才能进入
f) 对于部分多次使用的票,可以在票型种设置票的属性,使得其支持一票多人,持这种票型的门票,在检票时,只要剩余次数充足,可以接续的将票传递给下一个人,连续通过,当出门时,一次性从票中扣除相应的次数
3. 票的安全
1) 如果某张票在进门或者出门时,没有检票,则该票就会暂时失效,必须到售票点进行补费和解除锁定,才能恢复正常
2) 票号无效后,再次印刷新票时,无需考虑票号重复问题,无效的重复的票号,可以直接使用而不影响后台统计和业务规则
4. 实时监视
1) 如果售票员的权限在允许范围内,在售票客户端软件上可以实时监视园内的游客人数

2) 售票员可以随时查询自己的售票状态,高权限的角色能查询所有营业状况,支持各种筛选情况,如按售票点查询、按售票员查询、按时间段查询等等,查询的报表可以输出成表格、网页等常用格式

3) 支持后期直观分析,即将营业状况按一定的规则生成曲线或者柱状图

5. 安装便捷性
1) 系统基于三层设计,当安装完服务器端软件后,客户端配置文件只需填写服务器所在的IP地址,不需要关心数据库位置,即可以正常工作
2) 检票机和售票点电脑一样,拥有自己的私有IP地址,各检票机互不影响,基于局域网通信,所以当两地相差很远时,可以采用光纤作为中继
6. 系统扩展
1) 软件系统采用模块化设计,检票机具有独立的开发包,当添加新的介质时,采用相似的开发包接口就可以在短时间内完成集成
2) 服务器软件数据具备票来源数据段,能有效区分票的来源,因此,未来可以通过扩展,下载来自网络上的购票定单、自助售票机定单,实时性在1分钟内
7. 检票机的安装注意事项
1) 检票机安装在室外,顶部安装防雨篷
2) 电源线和数据线穿于金属护套管,埋于地下的护套管防水处理
3) 检票机安装的地面建造地台,保持检票机内部干燥
8. 检票机参数
1) 主要参数
|
类别 |
参数 |
|
名称 |
直角盒式翼闸检票闸机 |
|
型号 |
YJBH |
|
主材 |
日标SUS304不锈钢 |
|
厚度 |
1.5mm标厚 |
|
表面处理 |
全拉丝 |
|
边角组成 |
机械折弯倒圆 |
|
摆翼 |
钢化玻璃 |
|
内衬 |
3MM角钢、含锰铝合金臂 |
|
驱动电机 |
台湾产直流无刷电机 |
|
限位器 |
接近开关传感器 |
|
检测器 |
红外检测传感器 |
|
防夹装置 |
有 |
|
安防配置 |
电容及大容量电池储电,掉电自动开闸 |
|
电控开关 |
普通继电器 |
|
控制主板 |
带回路冗余电容及上电检测电路 |
|
检票板 |
ATOM/ARM芯片,模块化设计,可热拔插 |
|
通信 |
TCP/IP,支持握手协议加密 |
|
指示灯 |
LED点阵亮显 |
|
显示 |
LED点阵屏 |
|
声卡 |
支持立体声 |
|
卡回收机 |
可添加 |
|
检票区 |
ID卡阅读区、条码扫描区 |
|
支持指纹 |
是 |
|
机箱规格 |
120cm*32cm*100cm |
2) 当检票机有多人接续检票时,能连续计数,保证过人自然快速
3) 当有人处于检票机报警区检票时,检票机拒绝检票
4) 检票机箱体一侧有小门,便于维护检修
5) 检票机图片(图中的摆翼换成1cm厚的钢化玻璃)

相关栏目:
您当前位置: